Turck LTE500M-HT10-LU10-P-0.25-H1151 Под заказ
0 Войти

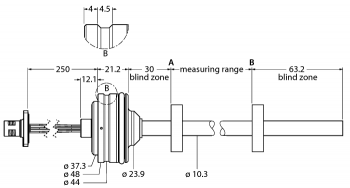
Turck LTE500M-HT10-LU10-P-0.25-H1151

№1218399
Turck LTE500M-HT10-LU10-P-0.25-H1151  - изображение 1
Производитель: Turck
Артикул: LTE500M-HT10-LU10-P-0.25-H1151
Артикул: LTE500MHT10LU10P0.25H1151
Наличие: Под заказ
Гарантия: 12 месяцев
Состояние: Новое
Датчик линейных перемещений TURCK LTE500M-HT10-LU10-P-0.25-H1151
№1218399
Похожие предложения
Наверх